Россия, Свердловская область, Березовский, Красных Героев
Телефон:
+7 (343) 300-81- Показать номер
Пн-пт: 10:00—18:00
whatsapp telegram vk email

Регулировка рулевой колонки УАЗ хантер с гидроусилителем

Устройство руля на УАЗ Паритоте

Регулировка рулевой колонки УАЗ хантер с гидроусилителем

Неотъемлемой частью любого транспортного средства является рулевое управление(РУ), благодаря которому обеспечивается безопасность передвижения на автомобиле, меняется направление движения, а также совершаются различные маневры. На внедорожнике UAZ Patriot  с гидроусилителем в устройство системы РУ входит: рулевая колонка, руль, пара рулевых тяг, поворотные кулаки, и шаровые шарниры.

Устройство

На внедорожнике имеется рулевая колонка в которой расположен вал управления с двумя подшипниками. Крутящий момент благодаря карданному валу передается от руля на рулевой механизм, сам карданный вал состоит из шарниров и скользящей вилки.

Рулевая колонка УАЗ Патриот на шлицах вала крепится к рулевому колесу, а при помощи гайки закреплено к валу, на колонке так же имеется механизм при помощи которого можно регулировать угол наклона. Весь механизм РУ находится в подкапотном пространстве, картер которого закреплен к раме при помощи болтов.

Немаловажным в системе РУ выступает рулевая трапеция в устройство которой входит:

  • Сошка;
  • Сошка тяги;
  • Тяга рулевой трапеции которая регулируется по длине;
  • Наконечники рулевой тяги;
  • Рычаг поворотного кулака;
  • Поворотный кулак;
  • Шаровая шкворня.

Рулевой редуктор

Со временем случается такое что руль УАЗ Патриот начинает работать неисправно, основной причинной является выход из строя гидроусилителя или редуктора. Признаки говорящие что требуется регулировка или замена следующие:

  • Во время управления автомобилем присутствуют скрипы и посторонние шумы;
  • Руль вращается не равномерно;
  • Во время вращения рулевого колеса имеются заклинивания или заедания;
  • На редукторе присутствует люфт.

Регулировка редуктора не является сложной процедурой, и ее можно произвести самостоятельно, для этого болт нужно вкрутить таким образом чтобы было максимальное стяжение, затем он  фиксируется в таком положении, после этой процедуры рулевое колесо начнет вращаться туже. Если произвести регулировку не удаётся, то нужно заменить гидроусилитель.

Регулировка

Для проведения работ по настройке нужно подготовить весь необходимый инструмент:

  • Плоскогубцы, чтобы расшплинтовать гайки;
  • Набор гаечных ключей;
  • Т-30 наконечник в форме звездочки;
  • Смазку WD-40.

После того как весь инструмент подготовлен можно переходить к регулировки усилителя:

  1. Первым делом прямо устанавливаются колеса;
  2. Открывается капот и находится колонка;
  3. Поверхность очищается от грязи;
  4. На картере ГУРА его центральной части находится винт, при помощи которого осуществляется регулировка;
  5. С сошки снимается наконечник;     
  6. Проверяется наличие люфта и возможных дефектов, для этого сошку нужно подвигать в лево и право. В случае обнаружения дефектов они устраняются;
  7. Переходим к необходимым работам, ключом на 16 откручивается контргайка, у нее левая резьба, по этой причине ее нужно откручивать по часовой стрелке;
  8. Когда контргайку ослабили берется ключ T-30 и откручивается винт;
  9. Проверяется как ходит рулевая сошка, если она двигается туго, винт нужно крутить в левую сторону;
  10. Регулируется люфт на редукторе, таким образом чтобы он ели ощущался;
  11. В таком положении до упора затягивается  и зашплинтовывается контргайка.

После того как работы произведены нужно проверить чтобы сошка перемещалась плавно без заеданий, наличие небольшого люфта допускается.  Затем на место устанавливаются все наконечники и уже во время движения проверяется работа механизма.

Ремонт

В картере рулевой колонки внедорожника УАЗ Патриот имеется слабое место, это резьба куда вкручивается болт, и во время регулировки целостность резьбы может нарушится, это связанно с низким качеством металла. Проблема решается следующим способом:

  1. При помощи метчика нарезается новая резьба;
  2. Берется втулка у которой две резьбы;
  3. Втулка вкручивается по новой нарезанной резьбе и склеивается при помощи цианакрилатного клея;
  4. В новое отверстие редуктора устанавливается новый регулировочный болт;
  5. Крышка картера устанавливается на место и закрепляется с при помощи  четырех болтов.

После этой процедуры можно производить необходимую регулировка.

Подрулевые переключатели

Для удобства выполнения некоторых манипуляций в автомобиле предусмотрены специальные переключатели, которые располагаются под рулем.

Подрулевые переключатели УАЗ Патриот имеют конструкцию состоящую и двух переключателей, в виде пары пластиковых рычагов, расположенных под рулевой колонкой.  Устройство расположенное с левой стороны отвечает за :

  • Работу правого повортника;
  • Работу левого повортника;
  • Включение и выключение дальнего и ближнего света;
  • Возможность мигания дальним светом.

Эти функции очень важны во время движения на автомобиле, и передвигаться  без них транспортному средству запрещено.  Правые подрулевые переключатели отвечают за:

  • Переключения скорости дворников;
  • Одновременное включение дворников и стеклоомывателя;
  • Включение заднего дворника;
  • Одновременное включение заднего омывателя и дворника.

Конечно функционал второго рычага менее важный, но передвижение в дождливую погоду или снег будет затруднительным.

Рекомендуем ознакомится с видео:

Подводя итог можно сделать вывод ,что этот механизм всегда  должен находится в исправном состоянии, иначе передвигаться на автомобиле становится небезопасно. В случае возникновения каких либо неисправностей все работы по ремонту можно произвести самостоятельно.

Устройство руля на УАЗ Паритоте Ссылка на основную публикацию

Гур уаз 469, 31519

Регулировка рулевой колонки УАЗ хантер с гидроусилителем

1:852 2:1359

Течь

2:1371

Неполадка: потек редуктор ГУРа, с начала капал, а потом вовсе началась течь, как из ведра, купил ремкомплект манжет и решил ремонтировать.

2:1627 3:2134

Раскрутил все болты все соединения и вот он на земле

3:98 4:605

Пациент. На операционном столе, посмотри что покажет вскрытие

4:722 5:1229

Для начала, нужно было снять сошку с вала, пришлось изготовить импровизированный съемник.

5:1397 6:1904

Разборка простая: выкрутил два болта с контергайками, которые фиксируют крышки, снял стопорные кольца крышек и, при помощи молотка, ударами по валу начал выбивать крышки. Будьте внимательны, когда они выйдут, вывалится куча роликов, важно их не потерять — это подшипники вала.

6:24107:506

Вот снятые крышки, видим внутри уплотнение из трех манжет: две пластиковые, черная и белая и между ними резиновое кольцо

7:729 8:1236

Вот они демонтированы

8:1280 9:1787

Снятый вал и уплотнения крышек

9:1847

Заменил манжеты и глядя на крышки увидел, что у них отверстия не по центру и понял, что с помощью их прокручивания регулируется люфт в червячном соединении редуктора.

9:215410:506

Дальше разобрал крышку приводного вала (вал на руль). Там заменил сальник и резиновые кольца в крышке. Главное, не выкручивайте вал с поршня, иначе проблемы на час вам обеспечены. Внутри шарики, которые потом установить на место проблематично.

10:952 11:1459

Крышка рулевого вала с сальником

11:1523 12:2030

При разборе, я увидел почему началась течь, связи с тем что крышка не защещена и поподание грязи и воды сделали на вале корозию и риски, короче жопа, незнаю помогутт ли новые манжеты

12:332 13:839

Долго не думая решил изготовить защитный колпак от грязи да и если повезет от течи масла если такова будет со временем. Для этого просверлил два отверстия нарезал резьбу под винты

13:1171 14:1678

Вот сама крышка

14:1710

Все собрал, отрегулировал все зазоры, на глаз конечно, и поставил на место. Пока течи нет. На работе ГУРа вскрытие не отразилось почти никак. Только на слух вроде он стал меньше гудеть, но это так, на слух. Эксплуатация покажет.

14:212315:506

Установка комплекта ГУР АДС-Yubei для УАЗ 469

Данная процедура, пожалуй, самая долгожданная, т.к. хотелось комфортного рулевого управления. Все те редукторы, которые и были в прошлом то люфтили страшно, то хрустели и очень туго поворачивали колеса. На данном комплекте остановился благодаря отзывам в инете. Среди Борисовских и Стерлитомаковских адекватных и более-менее надежных, днем с огнем не сыщешь, да и готовые комплекты стоят свыше 32 килорубликов в нашем регионе. Что потребовалось для установки:
1) Именно сам комплект; 21500р.

15:1486 16:1993

Содержимое ящика, только вот насос забыл в кадр засунуть.

16:210117:506

Рулевой редуктор

17:541 18:1048

Шкив и крепеж, только куда его столько, непонятно. Пойдет в запас

18:1169

2) Помпа от ЗМЗ-409 Е-2 с прокладкой «АДС» ; 1400р.

18:1250 19:1757

3) Сдвоенный шкив от 514го ДВС (помоему) текстолитовый; 330р.
4) Ремень генератора 2108 инжекторный; 220р.

19:1937

Нужно уладить небольшой инцидент с комплектностью ГУР. Заказывал комплект для ДВС ЗМЗ-409, но с сошкой редуктора под рессорную подвеску. Поставщик любезно согласился на такую комплектацию и через неделю ожидания комплект лежал уже в гараже. На следующий день началась установка.

19:2450

Почитав отзывы об установке таких ГУРов, и, практически, бестолково написанную книжку из коробочки, я понял, что придется попотеть.

19:242

Для начала встал вопрос «А менять ли помпу?» Где-то читал, что и на 406 помпу прикручивают кронштейн на 2 болта, но это не очень надежно, ведь если все-таки уши кронштейна отломит, то мало того, что останешься без ГУРа, но еще и придётся покупать новый недешевый комплект. Проверил люфт родной помпы и решил менять на 409

19:815

Выбор в нашем городе был невелик. Либо «ЗМЗ» за 1900 («не бюджетно»), либо «АДС» за 1400р (приемлемо). Выбор пал на АДС. В гараже конечно лежала практически новая с патриота помпа, но с мотора Е-3 и патрубок на термостат тоненький идет, и потому пришлось бы менять корпус термостата, что тоже не очень бюджетно и не найдешь. Спиливаем ОЖ, снимаем ремень, шкив, патрубки, помпу и ставим новую и кронштейн насоса ГУР.

19:1548 20:2055

Снятие старой помпы…

20:42 21:549

… и установка новой с кронштейном (доработанным)

21:642

Сразу забегу вперед: кронштейн подвергся доработке, а именно, был пропилен паз под натяжение ремня ибо привод у нас будет нестандартный. На кронштейн ставим насос (кстати, 2 болта крепления из комплекта были с крупной резьбой, а на насосе мелкая — и куда только смотрят упаковщики) с натяжителем, на помпу шкив от 514го под 2 ремня, накидываем ремень привода помпы, затем 08 ремень на привод насоса ГУР, все натягиваем и затягиваем.

21:1423 22:1930

Насос на месте

22:1960 23:2467

Вот такой привод насоса ( прочитал на одном из форумов

23:101

Перемещаемся под левое крыло и демонтируем рулевой редуктор с рулевым валом. Ставим редуктор из комплекта, сошку, рулевую тягу и все затягиваем

23:368 24:875

Редуктор на месте

24:911 25:1418 26:1925

Теперь рулевой вал. Новый был с одной стороны под шлиц, с другой под клин. Так вышло, что теперь с двух сторон нужен клин. Со старого снимаем наконечник под клин и перепрессовываем на место наконечника под шлиц. Теперь можно ставить на место. Теперь пора ставить шланги. И тут-то крылась засада. Шланг высокого давления был с наконечниками 14мм, а требовался 14мм — 16мм.

26:2594

С утра созваниваюсь с магазином и выкладываю суть проблемы что шланг не тот и нет штуцера 16мм с шайбами. К вечеру деталь была получена. Сразу же продолжили установку. Сперва, сделал отпуск всех медных шайб для лучшего обжатия. Шланг высокого давления провел спереди насоса, ибо так меньше его закручивает и практически нет усилия на изгиб.

Сзади он мало того, что находился рядом с выпускным коллектором, но еще и перегибался до такой степени, что с трудом прикручивался к насосу. Хорошенько его затянул и принялся ставить бачок на крыло. Там все просто — сверлим и прикручиваем где понравиться, лишь бы капоту не мешал. Ну и наконец прокладываем остальные 2 шланга, подрезаем по длине и затягиваем на хомуты. В последнюю очередь ставил нижний патрубок радиатора и вывод на РБ.

Все встало отлично, нигде ничего не жмет и не трет, правда в шлангах можно запутаться. На последок заполняем систему по мануалу (только в этом и пригодился)

26:1699 27:2206

Все готово!

27:23 28:530

и тестируем. Радость зашкаливала, от ГУРа тишина, руль легкий и ни каких люфтов, но ходу никакого рысканья и увода.

28:741

ГУР от ГАЗ-3309 на УАЗ 469

Долго изучал эту тему, но в основном ставят шишко ГУРы на буханки и головастики, а вот на 469 такая конструкция встречается гораздо реже. Вот я и решил добавить свои пять копеек именно в доработках 469.В принципе, схема та же — золотниковая тяга и гидроцилиндр ну и конечно насос, а основное отличие только в том, что на 469 нужна золотниковая тяга от ГАЗ 3309-08 ее отличие от тяги газ 66 в расположение золотника. На тяги газ 66 золотник в самом конце тяги и у нас он будит упираться в рессору, а вот от 3309 нам отлично подходит. Ну а дальше дело техники или кто на что горазд. Вот фото моего варианта

28:1855 29:2362

Золотниковая тяга газ 3309 +часть рулевой тяги газ 52(купил поперечную тягу газ 52 обрезал по размеру нарезал резьбу и ввернул в часть тяги газ 3309 ) а ну и сошки уже были развернуты под конус наконечника газель .

29:378 30:885

Гидроцилиндр газ-3309 он же газ-66

30:945 31:1452

насос бмв 130бар

31:1483 32:1990

крепление гидроцилиндра к мосту отверстие под гидроцилиндр просверлили сверлом на 18 нагрели и пробили конусом диаметр пластины у нас 20мм

32:224733:506

ну и крепление насоса гура он стоит у нас на заводском месте генератора

33:640

Ну вот и все устройство ГУРа осталось все соединить и поставить. Уже не терпится опробовать должна получится мощная конструкция.

33:880 34:1387

ГУР БМВУАЗ 31519

34:1425 35:1932

Был куплен комплект ГУР ZF от БМВ в 28 кузове, для его внедрения понадобилось: — кронштейн крепления насоса ГУР УАЗ (по моему от 3160); — изготовление переходной плиты под рулевую машинку; — крестовина рулевого вала; — увеличенные шайбы и замена болтов крепления радиатора (требуется лифтовка его на 15-20мм); — сошка не нашлась от волги, поэтому сделал ее сварную из 2х (фот нет к сожалению); — двухручьевой шкив коленвала; — ремень на 1250мм… Процедура установки уже обсосанная не на один раз, поэтому скажу только про подводные камни: 1) у меня диаметры фланцев на рулевом валу отличались на 1мм (бэховская уже) поэтому пришлось аккуратно рассверливать, 2) кронштейн насоса немного пришлось делать короче, путем отрезания от него 10мм полоски… 3) шкив двухручьевой пришлось выносить на 10 мм вперед иначе ремни не встают из-за патрубков; 4) пришлось в итоге перегибать сошку вверх, иначе она получалась самой нижней точкой моста, т.е. любое серьезное препятствие могло просто выломать ее на раз…

в общем результатом доволен — парковаться в городе заметно проще.

Рулевой редуктор УАЗ 469

Регулировка рулевой колонки УАЗ хантер с гидроусилителем

Автомобиль УАЗ 469 оборудован механическим рулевым управлением. Оно состоит из рулевой колонки, редуктора и привода. Воздействие на механизм осуществляется из кабины автомобиля с помощью рулевого колеса. В процессе эксплуатации могут возникать различные неисправности рулевого редуктора. Для восстановления его работоспособности необходим ремонт или регулировка.

Фото 1: Рулевой редуктор УАЗ 469 (Источник: Яндекс.Картинки)

Устройство рулевого редуктора УАЗ 469

Рулевой редуктор автомобили УАЗ 469 представляет собой узел, служащий для поворота передних колес автомобиля. Устройство рулевого редуктора УАЗ предусматривает снижение усилий, прилагаемых водителем к рулевому колесу при движении автомобиля.

Картер рулевого редуктора УАЗ устанавливается на раме автомобиля. Узел фиксируется с левой стороны по ходу движения. Крутящий момент от рулевой колонки к редуктору передаётся с помощью карданного вала.

Рабочая пара рулевого редуктора автомобиля УАЗ-469 состоит из глобоидального червяка и ролика двухгребневого типа. Червяк связан с валом, на который передаётся усилие рулевого колеса. Ролик устанавливается на одном валу с сошкой рулевого механизма. Таким образом, при вращении червяка ролик вместе с сошкой смещаются в определенную сторону. Для предотвращения проскальзывания вала, сошка установлена на мелкие шлицы.

При положении колёс для движения по прямой ролик должен находиться по центру червяка. Для правильности установки сошки шлицевое соединение оснащено сдвоенными единицами. Это исключает вероятность неправильной установки детали.

Фото 2: Схема рулевого редуктора УАЗ 469 (Источник: Яндекс.Картинки)

Ремонт рулевого редуктора УАЗ-469

В некоторых случаях может потребоваться ремонт рулевого редуктора. Для того чтобы выполнить работы по ремонту, не обязательно наличие профильного образования. С задачей справится человек, имеющий минимальные технические знания. Разборка рулевого редуктора осуществляется в следующей последовательности.

  • Демонтировать редуктор с посадочного места. Для этого необходимо открутить и выбить болт, фиксирующий вал червяка в проушине крестовины. После этого открутить три болта, крепящих рулевой редуктор к раме автомобиля.
  • Слить масло. Смазка деталей рулевого редуктора осуществляется маслом. Оно заливается в картер. Во избежание вытекания масла в корпусе установлены сальники. Для слива отработавшей жидкости необходимо выкрутить специализированную заглушку, расположенную на картере.
  • Демонтировать сошку. Деталь жестко установлена на валу и зафиксирована гайкой. Для снятия можно использовать специализированный съемник. При его отсутствии можно сбить сошку с вала молотком. Важно не повредить резьбу вала.
  • Открутить боковую крышку. Для этого необходимо открутить 4 болта, служащие для крепления крышки к корпусу.
  • Демонтировать вал сошки. Деталь вынимается из корпуса редуктора вместе с роликом. Для того чтобы демонтировать вал, следует нанести по нему несколько ударов молотком из мягкого металла. Применение обычного молотка возможно только в совокупности с наставкой из алюминия или меди. Некоторые автомобилисты используют деревянную дощечку. Ее наставляют на вал и наносят удары. Таким образом, удается защитить резьбу от повреждений.
  • Открутить болты крепления нижней крышки и демонтировать деталь. Под крышкой установлены регулировочные прокладки. Необходимо аккуратно демонтировать их.
  • Демонтировать червячный вал.

После разборки все детали очищают от смазочного материала и металлической стружки, образовавшейся в результате трения. Проводится деффектовка деталей. Вышедшие из строя части необходимо заменить новыми. Сборка и установка узла осуществляется в обратной последовательности. После сборки необходимо провести регулировку рулевого редуктора.

Регулировка рулевого редуктора УАЗ 469

При наличии люфта в рулевом управлении, превышающего норму, необходимо в первую очередь проверить работоспособность крестовины рулевого карданного вала и шарниров рулевых тяг. Сильный износ деталей рулевого управления может привести к возникновению люфта. Если шарниры рулевых тяг и крестовина не изношены, потребуется регулировка узла.

Регулировка момента затяжки подшипников червяка

Чтобы отрегулировать момент затяжки подшипников червяка, необходимо демонтировать узел с автомобиля. После снятия рулевого редуктора необходимо неподвижно зафиксировать его. Для этого используют тиски. После этого регулировка осуществляется в следующей последовательности:

  • Сливают из картера смазочный материал.
  • Откручивают колпачковую гайку, закрывающую регулировочный винт.
  • Демонтируют стопорную шайбу, предотвращающую самопроизвольное смещение регулировочного винта.
  • С помощью специализированного съемника снять сошку с вала. При снятии детали без приспособления может понадобиться ее нагрев.
  • Открутить болты крепления боковой крышки.
  • Легкими ударами молотка из мягкого металла выбить сошку.
  • Демонтировать нижнюю крышку.
  • Удалить тонкую прокладку, установленную в месте крепления крышки.
  • Установить нижнюю крышку рулевого редуктора.
  • При наличии смещения червяка по своей оси следует демонтировать крышку и удалить вторую прокладку, а на ее место установить первую. Таким образом, уменьшится зазор между нижней крышкой и корпусом редуктора.
  • После регулировки момента затяжки подшипников необходимо провести сборку и установку узла на автомобиль.

Регулировка зацепления червяка с роликом

При износе ролика или червяка появляется люфт в рулевом управлении. Для его устранения не требуется снятие узла с автомобиля. Регулировка осуществляется при установленном на автомобиль редукторе. Для устранения люфта необходимо:

  • Установить колеса в положение, при котором транспортное средство будет двигаться по прямой.
  • Демонтировать палец рулевой тяги из отверстия сошки. Для облегчения процесса демонтажа можно использовать специализированный съемник.
  • Выкрутить гайку блокирующую доступ к регулировочному винту.
  • Снять стопорную шайбу.
  • Закрутить регулировочный винт до тех пор, пока не исчезнет люфт в зацеплении червяка и ролика.
  • Установить стопорную шайбу на посадочное место.
  • Установить гайку, закрывающую регулировочный винт.

После регулировки зазора в зацеплении червяка с роликом следует проверить усилие, прилагаемое к рулевому колесу. Слишком сильно закрученный регулировочный винт приведет к повышенному трению деталей рулевого редуктора и к быстрому их износу.

Перед разборкой и регулировкой редуктора следует проверить работоспособность других частей рулевого управления. Разборку и сборку узла можно провести без использования специализированного оборудования.

После правильной регулировки рулевого редуктора на автомобиле УАЗ 469 допустимый максимальный люфт должен составлять не более 10о. Превышение этого показателя свидетельствует о нарушениях в работе других частей рулевого управления.

: Ремонт и регулировка

Характеристика, установка и регулировка гидроусилителя руля гур на уаз хантер и патриот — Автомастер

Регулировка рулевой колонки УАЗ хантер с гидроусилителем

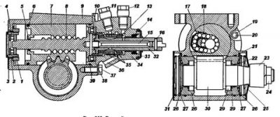
Рулевое управление Уаз Хантер состоит из рулевого механизма с гидроусилителем, рулевой колонки с рулевым и карданным валом, рулевого колеса и рулевого привода которые включает в себя две рулевые тяги, соединенных шаровыми шарнирами с поворотными кулаками передней подвески. 

Рулевое колесо установлено на шлицах вала рулевой колонки и прикреплено к валу гайкой. Вал рулевого управления установлен в трубе рулевой колонки на двух подшипниках и передает крутящий момент от рулевого колеса на рулевой механизм через карданный вал, состоящий из шлицевого вала, скользящей вилки и карданных шарниров.

Рулевой механизм типа винт — шариковая гайка — сектор, установлен в подкапотном пространстве, картер рулевого механизма прикреплен к раме болтами.

Соединения шлангов с рулевым механизмом уплотнены медными шайбами.

Бачок гидроусилителя рулевого управления установлен в подкапотном пространстве на кронштейне левого брызговика и соединен шлангом с насосом гидроусилителя и с магистралью возврата рабочей жидкости.

Для автомобилей Уаз-315195 Хантер с двигателем ЗМЗ-409

Рулевая трапеция состоит из сошки, тяги сошки рулевого управления и тяги рулевой трапеции, регулируемых по длине, наконечников рулевых тяг, которые имеют разное направление резьбы в зависимости от стороны установки, рычага поворотного кулака, поворотных кулаков и шаровых шкворней.

Рулевое управление Уаз Хантер с гидроусилителем руля, принцип работы

Винт рулевого механизма при вращении рулевого колеса вворачивается или выворачивается из гайки-поршня, которая, в свою очередь, перемещается вместе с золотником.

Давление жидкости в одной из полостей рулевого механизма возрастает — гайка-поршень перемещается. Перемещаясь, гайка-поршень поворачивает вал рулевой сошки, которая, в свою очередь, через тяги рулевой трапеции поворачивает управляемые колеса.

Рабочая жидкость, пройдя через рулевой механизм, поступает обратно в бачок гидроусилителя по отводящему шлангу.

В гидроусилителе руля давление рабочей жидкости создается насосом лопастного типа, установленным на кронштейне двигателя. Насос приводится поликлиновым ремнем от шкива коленчатого вала двигателя.

Установленный в насосе расходный предохранительный клапан поддерживает требуемое давление рабочей жидкости в системе гидроусилителя рулевого управления в зависимости от частоты вращения коленчатого вала двигателя.

Шум в системе гидроусилителя руля Уаз Хантер

При повороте передних колес вправо или влево до упора в системе гидроусилителя руля возможно появление шума или гула, который возникает по причине выхода насоса гидроусилителя на максимальное давление. Такой шум или гул является характерным признаком работы насоса и не влияет на работоспособность рулевого управления в целом.

Рулевые механизмы Уаз Хантер с гидроусилителем

Рулевое управление Уаз Хантер в зависимости от комплектации автомобиля и его года выпуска могло комплектоваться рулевыми механизмами винт — шариковая гайка — сектор с гидроусилителем, производства ИНМАШ, город Стерлитамак или БЗАГУ, город Борисов, двух видов, отличающихся по типу распределителя : вал-золотник или вал-ротор.

На автомобилях с рулевым механизмом 31519-3400011-10 карданный шарнир крепится к валу рулевого механизма болтом, а на рулевом механизме 31519-3400011-20 : клином с шайбой и гайкой.

Отказ гидроусилителя руля на Уаз Хантер

При отказе гидроусилителя возможность управления автомобилем сохраняется, но усилие на руле заметно возрастает. При отсутствии масла в системе гидроусилителя из-за повреждения насоса или разрушения шлангов, необходимо снять ремень привода, в противном случае возможно заклинивание насоса гидроусилителя и обрыв ремня.

При снятом ремне привода насоса на Уаз Хантер с двигателем ЗМЗ-409 необходимо контролировать температуру охлаждающей жидкости, так как вполне возможен перегрев двигателя. Длительная эксплуатация автомобиля с неработающим гидроусилителем приводит к преждевременному износу деталей механизма рулевого управления.

Осмотр и проверка рулевого механизма Уаз Хантер с гидроусилителем руля

Изложены в отдельном материале.

Обслуживание рулевого механизма Уаз Хантер с гидроусилителем руля

Заключается в проверке натяжения ремня привода насоса гидроусилителя, проверке герметичности шлангов и их соединений, проверке отсутствия течей уплотнителей насоса и рулевого механизма, проверке уровня и замене рабочей жидкости в бачке гидроусилителя.

Рабочая жидкость в системе гидроусилителя руля должна соответствовать спецификации Dexron IID. Более подробно процесс замены рабочей жидкости и фильтра в бачке гидроусилителя руля, а так же параметры натяжения ремня привода насоса гидроусилителя руля на Уаз Хантер, изложен в отдельном материале.

Источник:

Устройство руля на УАЗ Паритоте

Неотъемлемой частью любого транспортного средства является рулевое управление(РУ), благодаря которому обеспечивается безопасность передвижения на автомобиле, меняется направление движения, а также совершаются различные маневры. На внедорожнике UAZ Patriot  с гидроусилителем в устройство системы РУ входит: рулевая колонка, руль, пара рулевых тяг, поворотные кулаки, и шаровые шарниры.

Регулируем рулевой редуктор УАЗ Патриот

Регулировка рулевой колонки УАЗ хантер с гидроусилителем

В конструкции рулевого механизма внедорожника УАЗ Патриот имеется редуктор или гидроусилитель, который со временем изнашивается и требует проведения, прежде всего, регулировочных мероприятий. Причинами для необходимости проведения регулировки являются следующие факторы:

  • присутствие скрипов или прочих посторонних шумов при управлении автомобилем;
  • неравномерность хода руля;
  • наличие заеданий или заклиниваний во время вращения рулевого колеса;
  • присутствие люфта на редукторе.

Когда может потребоваться регулировка редуктора рулевой колонки, зависит от характера эксплуатации автомобиля. В данном материале рассмотрим, что представляет собой процесс регулировки рулевого гидроусилителя на УАЗ Патриот, а так же, как осуществляется ремонт регулировочного механизма.

  • Необходимость регулировки
    • Процесс настройки
    • Ремонт механизма

Необходимость регулировки

Регулировка рулевого редуктора УАЗ Патриот проводится для того, чтобы откорректировать функционирование рулевого механизма. Процесс настройки не предусматривает особых сложностей и может быть проведен своими силами в домашних условиях.

Для того чтобы настроить рулевую колонку, в конструкции механизма предусматривается специальный болт с контрирующей гайкой. Процесс корректировки осуществляется за счет того, что болт вкручивается до максимального стяжения, а затем осуществляется его фиксирование в таком положении. После процесса регулировки можно будет заметить, что руль при этом будет вращать немного туже. Если же регулировку осуществить уже не удается, то гидроусилитель необходимо заменить на новый.

Для проведения регулировки редуктора на внедорожнике УАЗ Патриот потребуется следующий инструмент:

  • пассатижи для расшплинтовки гайки;
  • гаечные ключи на “22” и “16”;
  • наконечник типа Т-30 в виде звездочки;
  • WD-40.

Когда весь необходимый инструмент готов, можно приступать к рабочему процессу.

Процесс настройки

Рассмотрим детально процесс регулирования рулевого усилителя на внедорожнике УАЗ Патриот.

  1. Приступая к работе, важно установить передние колеса внедорожника УАЗ Патриот в строго прямолинейном направлении.
  2. После этого необходимо открыть капот и отыскать рулевую колонку внедорожника.
  3. Перед началом проведения работ следует очистить поверхность конструкции от загрязнений.
  4. На центральной части картера ГУР находится регулировочный винт, с помощью которого происходит процесс регулировки. Выглядит этот винт следующим образом: 
  5. Приступая к работе, осуществляется снятие рулевого наконечника с сошки, как показано на фото ниже. 
  6. Теперь необходимо приложить максимум физических усилий и попытаться подвигать рулевую сошку влево и вправо. При этом следует определить: есть ли люфты во время ее движения, или, возможно, сошка останавливается в центральном положении. Если проявляются такие дефекты, то проводится регулировка до момента их исчезновения.
  7. Приступаем к выполнению регулировочных работ, а для этого с помощью ключа на “16” необходимо отвинтить контргайку. Важно знать, что контргайка имеет левую резьбу, поэтому отвинчивается она путем вращения по ходу часовой стрелки.
  8. После ослабления контргайки необходимо с помощью звездочки Т-30 осуществить вращение винта по ходу движения часовой стрелки или против.
  9. Проверяем качество хода рулевой сошки. Если сошка двигается туго, то необходимо осуществить вращение винта в левую сторону, а для ослабления движения – в обратную правую сторону, что собственно и было выполнено.
  10. Во время ослабления редуктора может появиться люфт. Необходимо отрегулировать таким образом, чтобы люфт был, но едва ощутимым.
  11. После этого можно в таком положении затянуть контргайку до упора и зашплинтовать. По завершению работ обязательно необходимо проверить качество проделанной работу путем повторного перемещения сошки в обоих направлениях. Главное чтобы после процесса регулировки происходило плавное перемещение сошки без заедания в среднем положении. Незначительный люфт механизма допускается в крайнем левом и правом положениях сошки.
  12. Устанавливается на место рулевые наконечники и осуществляется проверка механизма во время движения автомобиля.

Как и многие другие автомобили, УАЗ Патриот также имеет некоторые недоработки данного механизма. В частности, недоработанным можно считать картер рулевой колонки, в который ввинчивается болт. Во время регулировки владельцы внедорожника часто встречаются с проблемой нарушения целостности резьбы. Почему это происходит?

Причины происходящего скрываются преимущественно в использовании некачественного металла для производства рулевого картера. Во время осуществления затягивания болта происходит нарушение целостности резьбы, что собственно и приводит в негодность крышку картера рулевой колонки. Приобрести ее отдельно можно, но стоимость ее будет не такой уж и маленькой, как может показаться на первый взгляд. Поэтому коротко рассмотрим, как осуществляется ремонт данного устройства.

Ниже представлена крышка на которой срывается резьба.

Производим ремонт резьбы следующим образом:

  1. Для начала нарезается новая резьба большего диаметра с помощью метчика.
  2. Далее потребуется использовать втулку с двумя резьбами, которая показана на фото ниже. 
  3. Втулка необходимо ввинтить в «новонарезанную» резьбу крышки и склеить ее специальным цианакрилатным клеем марки ТК-200.
  4. После этого потребуется использовать новый болт, который и будет регулировочным. Ремонт подразумевает собой не только нарезание новой резьбы, но также и замену регулировочного винта рулевой колонки.
  5. В редукторе регулировочный болт устанавливается в специальное отверстие, показано на фото ниже.

    Новый регулировочный болт на своем месте

  6. В завершение устанавливается крышка картера на место и фиксируется с помощью четырех болтов. Такой примитивный ремонт позволяет не только продлить срок службы редуктора, но и обеспечить его эффективную регулировку. 

Более подробный процесс регулировки редуктора рулевой колонки отображен на видео выше. Там показан процесс настройки редуктора или гидроусилителя без помощи помощника. В таком случае будет полезно узнать, что для этого потребуется.

Рулевой редуктор уаз буханка, устройство и работа — Автомеханик

Регулировка рулевой колонки УАЗ хантер с гидроусилителем

12.12.2019

Рулевой редуктор УАЗ буханка, или, выражаясь техническими терминами, картер рулевого механизма, закреплен в модификациях автомобилей УАЗ-3302, 3909, 2206 на кронштейне левого лонжерона рамы.

Удерживают его на раме четыре болта М16 с шайбами пружинными. На заводе-изготовителе болты затянуты гайковертом с соблюдением усилия затяжки 45 кгс/см².

Регулировка рулевого редуктора УАЗ буханка

Регулировочные операции осуществляются для устранения зазоров. Вследствие сил трения они периодически появляются между роликом и червяком. Для выявления осевого зазора червячных подшипников, картер обхватывается ладонью одной руки.

Другой рукой рулевое колесо раскачивается поочередно в обе стороны.

Если подшипники изношены, палец ощущает осевое биение ступицы относительно колонки. При отсутствии подшипниковых зазоров регулируется только зацепление червяка с роликом.

Порядок регулировки ролика относительно червяка:

  • Снять рулевой редуктор с автомобиля.
  • Слить масло с картера.
  • Закрепить механизм в тисках.
  • Открутить центральную гайку, с винта регулировки снять стопорную шайбу.
  • Открутить болты, крепящие крышку сбоку редуктора.
  • Вынуть вал сошки вместе с роликом и крышкой, осторожно постукивая выколоткой по торцу вала сошки, отделить прокладку.
  • Открутить болты, крепящие нижнюю крышку картера, снять ее.
  • Тонкую прокладку из бумаги с осторожностью отделить и снять.
  • Поставить нижнюю крышку на штатное место, закрутить болты, проверить биение червяка вдоль продольной оси.
  • Если биение осталось, заново снять крышку снизу, вынуть толстую прокладку, вместо нее установить тонкую, ранее снятую. Снимать более одной прокладки не рекомендуется.
  • Усилие затяжки подшипников проверяется вращением червяка. Если затяжка правильная, на рулевом колесе ощущается усилие 0,22 – 1,45 кгс. Операция проверки осуществляется динамометрическим ключом при снятой сошке.

Как снять рулевой редуктор УАЗ буханка?

Демонтаж рулевого редуктора УАЗ буханка осуществляется без снятия рулевой колонки с автомобиля.

Порядок проведения операций:

  1. Открутить стяжной винт шарнира рулевой колонки.
  2. Открутить гайку, крепящую сошку рулевого редуктора, при помощи съемника снять ее.
  3. Открутить четыре болта, крепящие картер рулевого механизма к лонжерону рамы.
  4. Снять рулевой механизм, слить масло из картера, выкрутив пробку снизу.

Ремонт рулевого редуктора УАЗ буханка

Разобрав механизм, промыть, осмотреть детали. Обнаружив на рабочих плоскостях червяка, винта, гайки-рейки, вала-сектора отслоения слоя термообработки, раковины, чрезмерный износ, трещины, следует немедленно их заменить.

Подшипники винта, червяка следует заменить новыми в том случае, если для устранения осевого люфта удаляются все регулировочные прокладки либо на рабочих поверхностях шариков, роликов, колец имеются повреждения.

При обнаружении на рабочих плоскостях ролика, вала сошки раковин, трещин, забоин, вмятин, если образовался люфт подшипников либо посадки на оси, необходимо рассверлить ее головку, извлечь ролик.

Вставить в паз вала новый ролик и ось. Можно закрепить с помощью электрической сварки на валу сошки старой оси – со стороны рассверленной головки, а новой оси – с обеих сторон.

Ни в коем случае нельзя допускать перегрева ролика. Обнаружив на плоскостях под роликами раковины, вмятины, трещины, чрезмерный износ, незамедлительно заменить новыми все кольца опор вала-сектора.

При заметном скручивании шлицев следует заменить вал сошки. Если произошел чрезмерный износ одной из сторон бронзовой втулки картера, заменить ее новой. Запрессовав в картер новую втулку, прогладить ее брошью до диаметра 35 +0,027 мм.

Замена рулевого редуктора УАЗ буханка

Замена рулевого редуктора осуществляется его последовательным снятием из рамы автомобиля с последующей установкой нового механизма. В нашей статье уже описан пошаговый демонтаж рулевого механизма.

Монтаж узла осуществляется в обратной последовательности и регулировке основных характеристик работы редуктора.

Источник:

Регулировка рулевого механизма с гидроусилителем

Снимаем рулевой механизм (см. Снятие рулевого механизма с гидроусилителем), не снимая сошки и удлинителя подводящего шланга.

  • Зажимаем механизм в тисках штуцерами вниз и сливаем остатки масла в емкость, поворачивая вал механизма ключом «на 17».
  • Нажав рукой на вал-золотник, покачиваем сошку.
  • Если при этом ощущается осевой люфт вала, регулируем упорные подшипники. Для этого…
  • …через бородок или выколотку выправляем буртик регулировочной гайки, закерненный в пазы картера.
  • Специальным ключом поворачиваем гайку по часовой стрелке до устранения зазора.

При этом контролируем момент вращения вала, который должен составлять не более 0,2 кгс.м. Для этого…

  1. …динамометром зацепленным за ключ «на 17» измеряем момент проворачивания вала-золотника.
  2. При длине рычага равной 200 мм усилие не должно превышать 1,0 кгс.
  3. Бородком загибаем буртик гайки в паз.
  4. Покачиваем рукой сошку рулевого механизма.
  5. Если ощущается зазор, регулируем зубчатое зацепление.
  6. Для этого…

…снимаем сошку с вала сектора (см. Снятие рулевого механизма с гидроусилителем).

  • Поддев отверткой или лезвием ножа, снимаем верхнюю…
  • …и нижнюю защитные крышки.
  • Ключом «на 13» отворачиваем контргайки стопорных болтов.
  • Ключом «на 12» отворачиваем стопорные болты на 2–3 оборота.
  • Специальным ключом поворачиваем регулировочные эксцентриковые обоймы подшипников вала-сектора.

При регулировке следует исключить возможность перекоса вала-сектора, поэтому поворачиваем обоймы поочередно на небольшой угол до устранения зазоров в зацеплении.

Устанавливаем рулевой механизм в обратной последовательности.

ПОЛЕЗНЫЕ СОВЕТЫ

Съемник для снятия рулевого колеса

Рулевое колесо плотно посажено на шлицы рулевого вала и снять его не просто. Выполнение этой работы облегчит самодельный съемник. Материал пластины — сталь, болты стандартные. При изготовлении съемника можно обойтись без сварки. Для этого используем пластину толщиной не менее 6 мм. В ней нарезаем резьбу под центральный болт.

Источник:

Гур на уаз буханку с двигателем змз-409. часть 2

Начало работ по установке ГУР — здесь.

Продолжаем установку ГУР от Митсубиши Кантер на УАЗ буханку.

Переделка рулевой сошки. Раньше я тоже, как и многие рукодельцы, выпрессовывал шар из кантеровской сошки. Точил втулку и разворачивал её под конус наконечника уаза.

А потом, подумал — а нафига я делаю лишнюю работу? Ну, зачем я делаю втулку? Достаточно просто срезать шар в плоскость с поверхностью сошки. Шар этот запрессован туда очень серьёзно. Так что даже обваривать не нужно.

Поэтому с тех пор я не страдаю больше фигнёй а отпиливаю сам шаровый наконечник и фрезерую обе плоскости.

После чего керню в центре и на фрезерном же станке, сверлю отверстие 15,5мм. Затем на токарном станке разворачиваю хитрой развёрткой. Материал конечно несравненно жёстче, по сравнению с металлом из которого я раньше точил втулку. И сам процесс разворачивания под конус, сильно усложнился. Но, за-то я могу смело гарантировать, что посадочное отверстие, в процессе эксплуатации не разобьёт!

С сошкой пока всё. Переходим к установке самого редуктора ГУР от кантера. Старый редуктор снят. Далеко не убираем — пригодится рулевой вал.

Лично я делаю монтажную пластину под редуктор ГУР из листового металла толщиной 6мм. Раньше делал и из более толстого. До 10мм использовал. Но, со временем пришёл к тому, что 6мм хватает за глаза.

Форму пластины, каждый делает как ему свой дизайнер в голове подсказывает. Я не исключение.

В черновом варианте примерно так. В чистовом — все острые углы скругляются. Изнутри, я навариваю гайки. Это позволяет удобно крепить редуктор болтами. Болты — кардана ГАЗона. На них резьба с шагом полтора и материал болтов прочный.

Саму пластину варю на несколько прихваток. Потом, после проверки работы всей системы, редуктор снимаю и обвариваю окончательно.

Теперь рулевая колонка. Выпендриваться не стал и оставил родную колонку и руль.  Правда есть нюанс. На родной колонке рулевой вал и его кожух имели жесткое положение в двух точках: в редукторе и в бронзовой втулке кожуха под рулём. Что позволяло закрепить рулевой кожух только в одном месте — на торпеде, хомутом.

В случае же с кантеровским редуктором такая конструкция не прокатывает. Кожух укорачивается и не имеет жёсткого крепления на корпусе редуктора ГУР. Выход из этой ситуации есть. Необходимо сделать вторую жёсткую точку на оси рулевого вала.

Устройство рулевого редуктора УАЗ 469

Рулевой редуктор автомобили УАЗ 469 представляет собой узел, служащий для поворота передних колес автомобиля. Устройство рулевого редуктора УАЗ предусматривает снижение усилий, прилагаемых водителем к рулевому колесу при движении автомобиля.

Картер рулевого редуктора УАЗ устанавливается на раме автомобиля. Узел фиксируется с левой стороны по ходу движения. Крутящий момент от рулевой колонки к редуктору передаётся с помощью карданного вала.

Рабочая пара рулевого редуктора автомобиля УАЗ-469 состоит из глобоидального червяка и ролика двухгребневого типа. Червяк связан с валом, на который передаётся усилие рулевого колеса. Ролик устанавливается на одном валу с сошкой рулевого механизма. Таким образом, при вращении червяка ролик вместе с сошкой смещаются в определенную сторону. Для предотвращения проскальзывания вала, сошка установлена на мелкие шлицы.

При положении колёс для движения по прямой ролик должен находиться по центру червяка. Для правильности установки сошки шлицевое соединение оснащено сдвоенными единицами. Это исключает вероятность неправильной установки детали.

Фото 2: Схема рулевого редуктора УАЗ 469 (Источник: Яндекс.Картинки)

Ремонт рулевого редуктора УАЗ-469

В некоторых случаях может потребоваться ремонт рулевого редуктора. Для того чтобы выполнить работы по ремонту, не обязательно наличие профильного образования. С задачей справится человек, имеющий минимальные технические знания. Разборка рулевого редуктора осуществляется в следующей последовательности.

  • Демонтировать редуктор с посадочного места. Для этого необходимо открутить и выбить болт, фиксирующий вал червяка в проушине крестовины. После этого открутить три болта, крепящих рулевой редуктор к раме автомобиля.
  • Слить масло. Смазка деталей рулевого редуктора осуществляется маслом. Оно заливается в картер. Во избежание вытекания масла в корпусе установлены сальники. Для слива отработавшей жидкости необходимо выкрутить специализированную заглушку, расположенную на картере.
  • Демонтировать сошку. Деталь жестко установлена на валу и зафиксирована гайкой. Для снятия можно использовать специализированный съемник. При его отсутствии можно сбить сошку с вала молотком. Важно не повредить резьбу вала.
  • Открутить боковую крышку. Для этого необходимо открутить 4 болта, служащие для крепления крышки к корпусу.
  • Демонтировать вал сошки. Деталь вынимается из корпуса редуктора вместе с роликом. Для того чтобы демонтировать вал, следует нанести по нему несколько ударов молотком из мягкого металла. Применение обычного молотка возможно только в совокупности с наставкой из алюминия или меди. Некоторые автомобилисты используют деревянную дощечку. Ее наставляют на вал и наносят удары. Таким образом, удается защитить резьбу от повреждений.
  • Открутить болты крепления нижней крышки и демонтировать деталь. Под крышкой установлены регулировочные прокладки. Необходимо аккуратно демонтировать их.
  • Демонтировать червячный вал.

После разборки все детали очищают от смазочного материала и металлической стружки, образовавшейся в результате трения. Проводится деффектовка деталей. Вышедшие из строя части необходимо заменить новыми. Сборка и установка узла осуществляется в обратной последовательности. После сборки необходимо провести регулировку рулевого редуктора.

Регулировка рулевого редуктора УАЗ 469

При наличии люфта в рулевом управлении, превышающего норму, необходимо в первую очередь проверить работоспособность крестовины рулевого карданного вала и шарниров рулевых тяг. Сильный износ деталей рулевого управления может привести к возникновению люфта. Если шарниры рулевых тяг и крестовина не изношены, потребуется регулировка узла.

Регулировка момента затяжки подшипников червяка

Чтобы отрегулировать момент затяжки подшипников червяка, необходимо демонтировать узел с автомобиля. После снятия рулевого редуктора необходимо неподвижно зафиксировать его. Для этого используют тиски. После этого регулировка осуществляется в следующей последовательности:

  • Сливают из картера смазочный материал.
  • Откручивают колпачковую гайку, закрывающую регулировочный винт.
  • Демонтируют стопорную шайбу, предотвращающую самопроизвольное смещение регулировочного винта.
  • С помощью специализированного съемника снять сошку с вала. При снятии детали без приспособления может понадобиться ее нагрев.
  • Открутить болты крепления боковой крышки.
  • Легкими ударами молотка из мягкого металла выбить сошку.
  • Демонтировать нижнюю крышку.
  • Удалить тонкую прокладку, установленную в месте крепления крышки.
  • Установить нижнюю крышку рулевого редуктора.
  • При наличии смещения червяка по своей оси следует демонтировать крышку и удалить вторую прокладку, а на ее место установить первую. Таким образом, уменьшится зазор между нижней крышкой и корпусом редуктора.
  • После регулировки момента затяжки подшипников необходимо провести сборку и установку узла на автомобиль.

Регулировка зацепления червяка с роликом

При износе ролика или червяка появляется люфт в рулевом управлении. Для его устранения не требуется снятие узла с автомобиля. Регулировка осуществляется при установленном на автомобиль редукторе. Для устранения люфта необходимо:

  • Установить колеса в положение, при котором транспортное средство будет двигаться по прямой.
  • Демонтировать палец рулевой тяги из отверстия сошки. Для облегчения процесса демонтажа можно использовать специализированный съемник.
  • Выкрутить гайку блокирующую доступ к регулировочному винту.
  • Снять стопорную шайбу.
  • Закрутить регулировочный винт до тех пор, пока не исчезнет люфт в зацеплении червяка и ролика.
  • Установить стопорную шайбу на посадочное место.
  • Установить гайку, закрывающую регулировочный винт.

После регулировки зазора в зацеплении червяка с роликом следует проверить усилие, прилагаемое к рулевому колесу. Слишком сильно закрученный регулировочный винт приведет к повышенному трению деталей рулевого редуктора и к быстрому их износу.

Перед разборкой и регулировкой редуктора следует проверить работоспособность других частей рулевого управления. Разборку и сборку узла можно провести без использования специализированного оборудования.

После правильной регулировки рулевого редуктора на автомобиле УАЗ 469 допустимый максимальный люфт должен составлять не более 10о. Превышение этого показателя свидетельствует о нарушениях в работе других частей рулевого управления.

Еще больше технических статей об УАЗ 469 читайте на нашем сайте

Рулевое управление Уаз Хантер с гидроусилителем руля, принцип работы, отказ гидроусилителя

Регулировка рулевой колонки УАЗ хантер с гидроусилителем

Рулевое управление Уаз Хантер состоит из рулевого механизма с гидроусилителем, рулевой колонки с рулевым и карданным валом, рулевого колеса и рулевого привода которые включает в себя две рулевые тяги, соединенных шаровыми шарнирами с поворотными кулаками передней подвески. 

Рулевое колесо установлено на шлицах вала рулевой колонки и прикреплено к валу гайкой. Вал рулевого управления установлен в трубе рулевой колонки на двух подшипниках и передает крутящий момент от рулевого колеса на рулевой механизм через карданный вал, состоящий из шлицевого вала, скользящей вилки и карданных шарниров.

Рулевой механизм типа винт — шариковая гайка — сектор, установлен в подкапотном пространстве, картер рулевого механизма прикреплен к раме болтами. Соединения шлангов с рулевым механизмом уплотнены медными шайбами. Бачок гидроусилителя рулевого управления установлен в подкапотном пространстве на кронштейне левого брызговика и соединен шлангом с насосом гидроусилителя и с магистралью возврата рабочей жидкости.

Ссылка на основную публикацию
Похожее